孙靖尧,吴刚强,黄尧,郑秀婷,许红,刘颖,吴大鸣
要点总结:
1、耐高温工程塑料在该领域的适用范围不断扩大,并成为电子设备领域的首选材料;
2、增强型工程塑料在低压电器领域有逐渐挤占热固性塑料份额的趋势;
3、功能性工程塑料材料的种类多,应用也广。
工程塑料产业是集聚合技术、合金改性技术、工程设计放大技术、加工应用技术等多种先进技术于一体的技术密集型产业。通过企业、院校及科研机构的多方面努力,中国近年来在工程塑料研究上取得不少创新成果。
工程塑料可分为通用工程塑料和特种工程塑料两大类。
被当做通用性工程塑料的有聚碳酸酯(PC)、聚酰胺(尼龙)、聚甲醛(POM)、变性聚苯醚(变性PPE)、聚酯(PETP,PBTP)、聚苯硫醚(PPS)、聚芳基酯等。聚丙烯若改善其硬度和耐寒性,也可列入工程塑料的范围。
特种工程塑料则是指综合性能较高,长期使用温度在150℃以上的一类工程塑料,主要包括聚苯硫醚(PPS)、聚酰亚胺(PI)、聚醚醚酮(PEEK)、液晶聚合物(LCP)及聚砜(PSF)等。
工程塑料其已被用作齿轮、蜗轮、滑轮、轴承保持架、凸轮、衬垫、轴瓦、轴套、密封环等机械零件,部分替代金属材料。
工程塑料制品已被广泛地应用于国防、航空、地铁、船舶、汽车、建筑机械(单槽绞车中的齿轮)、选煤机械、球磨机、纺织机械、甘蔗压榨机、石油化工、轻工、家电(仪表、水表、玩具)等,涉及国防军工、工业机械、交通、民用等诸多领域。
耐高温型工程塑料
耐高温工程塑料是指在高温条件下仍能保持较高机械性能的工程塑料,该性能一般是由其本身的特殊结构导致的。随着电子设备领域的不断发展,耐高温工程塑料在该领域的适用范围不断扩大,并成为电子设备领域的首选材料。
来自大连理工大学高分子材料系、辽宁省高性能树脂工程技术研究中心的研究团队,从分子设计的角度出发,设计、合成了3种不同嵌段长度的耐高温、可溶解的嵌段共聚物PPENK-b-PEEKK,成功地将含二氮杂萘酮联苯结构聚芳醚酮PPENK链段与结构规整PEEKK链段进行结合。首先采用溶液聚合方法合成了羟基封端聚醚醚酮酮(PEEKK-OH)低聚物,并通过正交实验对聚合工艺进行了优化,获得了最优的合成条件。然后,采用一锅分步加料的方法,合成了PPENK-b-PEEKK嵌段共聚物。3种共聚物均存在结晶结构,只有一个玻璃化转变温度(Tg)(较PEEKK的Tg有较大的提升),且存在熔点,具有潜在的热成型加工性能。3种共聚物的Td5%、Td10%分别为491~510、523~530°C,800°C残炭为63%~65%,共聚物具有优异的热稳定性。
共聚物PPENK-b-PEEKKs的热性能。
碳纤维含量对PEEK复合材料裹面电阻率的影响。
中国科学院化学研究所将耐高温聚酰亚胺基体树脂溶液与一定比例的短切纤维(碳纤维、玻璃纤维或芳纶纤维)或功能性填料(聚四氟乙烯、石墨或二硫化钼)复合,经热处理形成B -阶段树脂纤维模塑料。通过高温反应成型工艺将模塑料放入模具中获得的具有致密质地和光滑表面的超级工程塑料材料,可以在300℃或更高的高温下长时间使用,在室温和高温下都具有优良的力学性能。耐高温聚酰亚胺超级工程塑料,包括HTPI-1400、HTPI-1500、HTPI-1600等3个主要系列产品,按使用温度可大致区分为2 大类:第I 类的长期使用温度为310~320℃,短期使用温度为340~360℃;第II 类的长期使用温度为340~360℃,短期使用温度为400~450℃。
蹇锡高院士团队在分子结构设计的基础上,研制出一种含有具有扭曲和非平面结构的哒嗪酮联苯结构的新型单体,然后通过二卤代单体的亲核取代合成了一系列含有二氮杂的化合物。新型聚乙烯醚萘酮联苯结构高性能工程塑料不仅可以承受高温和溶解性,还解决了传统高性能工程塑料不能同时具有高温和高溶解度的技术问题。
玻璃化转变温度为250-375℃,初始温度为5%,重量损失高于500℃;可溶于几种有机溶剂,如N\-甲基吡咯烷酮,N,N-二甲基乙酰(xian)胺和氯(lv)仿;优异的整体性能,特别是在高温下,仍然保持优异的整体性能它可以通过多种方式加工,不仅可以通过热成型,例如模塑、挤出、注塑,还可以通过溶液加工。
增韧型工程塑料
核-壳聚合物粒子是由不同化学组成或不同聚集形态的组分复合而成的具有双层或多层结构的复合粒子。1957年,美国 Rohm &Haas首次开发出了商品名为K120的核壳结构聚合物。六、七十年代,日本、德国等公司也研制出了类似的产品。80年代初,日本学者Okubo提出了“粒子设计”的新概念。到目前为止,核-壳结构的聚合物一直是人们研究的热点,在其合成、结构、形态、性能、应用等诸多方面都取得了很大进展。
刘志林、汪克风及张海勇等人组成的研究团队分别选取马来酸酐接枝丙烯腈-丁二烯-苯乙烯共聚物(ABS-g-MAH)、马来酸酐接枝乙烯-辛烯共聚物(POE-g-MAH)和马来酸酐共聚物(SMA)三种相容剂,研究它们对PA6 /ABS 合金的增容作用及相容剂用量对PA6 /ABS合金韧性的影响。它们都能够提高PA6与ABS的介面能,使得PA6/ABS韧性提高。其中,ABS\-g-MAH对PA6/ABS合金的增容作用最好。此外,随着ABS-g-MAH用量的增加,缺口冲击强度先提高再降低,当其质量分数为20%时,PA6/ABS合金的缺口冲击强度提高最多,是不添加ABS-g-MAH的PA6/ABS合金的10倍。
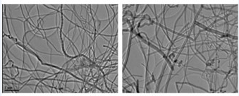
Huang S、Toh C L及Yang L等人选取表面改性的碳纳米纤维(CNF)与己内酰胺通过原位阴离子开环聚合反应制备了PA6/CNF 复合材料。图2中可以看到,表面改性过的CNF分散均匀。加入少量的CNF导致界面共价键引发的填料-基体应力转移,可以显著提高 PA6 的拉伸强度,同时由于裂纹扩展期间,CNF在基体中起了桥梁的作用,使得PA6的缺口冲击强度也有所提高。
天津工业大学以适当脱胶处理的竹原纤维与PP纤维为原料,采用非织造工程的加工方法制作了混合纤维预制件,通过热压成型工艺制备了竹原纤维增强PP热塑性复合材料。竹原纤维与PP纤维的质量配比为50/50,模压温度、时间及压力分别为190℃、30min及30MPa时,制得的复合材料力学性能最好,其纵、横向拉伸强度分别为96.6MPa和82.3MPa;纵、横向弯曲强度分别为400.7MPa和367.3MPa。
增强型工程塑料
热塑性增强塑料具有优良的物理机械性能和成型加工性能,可以采用挤塑、注塑、压制等方法成型加工,且其密度小、冲击强度高、烤漆性能好、尺寸稳定性好,可嵌入金属嵌件,基本投资小、可回收,对环境污染小,在汽车、电器、民用产品等领域有着广泛的应用。
近年来特别是在低压电器领域有逐渐挤占热固性塑料份额的趋势。国内外学者对此进行了富有成效的研究。
上海理工大学机械工程学院贾政团队以 PEEK基质复合材料用作销样,316不锈钢用作盘样。在水润滑条件下,CF增强PEEK基复合材料的耐磨性能明显提高,磨损率比纯PEEK的磨损率降低了4~6倍。
当对偶件表面粗糙度处于 0.08~0.09μm范围内时,复合材料可以取得较低的磨损率;当对偶件表面粗糙度的值过高或者过低时,摩擦磨损机理将发生改变。
重庆理工大学材料科学与工程学院黄伟九教授团队通过模压成型制备了CF与HGB混合改性的PI基复合材料。所制备的PI/HGB/CF复合材料摩擦学性能优于单独填充的PI基复合材料,当HGB质量分数为15%,CF质量分数为10%时复合材料的减摩耐磨性能最佳。
南京工业大学材料化学工程国家重点实验室杨长城研究团队采用硝酸氧化改性和涂层复合改性法分别对CF进行表面处理,制备了CF增强热塑性PI基复合材料。
实验表明,硝酸氧化改性增大了CF的表面粗糙度,随处理时间的延长粗糙度增大;硝酸氧化改性后的CF在摩擦过程中易断裂,复合材料的磨损形貌以磨粒磨损为主,而涂层复合改性后的CF断裂得到抑制,与基体结合更为牢固,磨损表面较为平整;经涂层复合改性后,CF表面包覆了一层PI,保护了CF并提高了其与PI基体介面的结合强度;经表面改性后的CF增强热塑性PI基复合材料的摩擦磨损性能均得到提高,以涂层复合改性的效果最好。
功能性工程塑料
根据具体用途,通过某种手段(例如添加功能性助剂),赋予工程塑料材料特定的功能,所得到的塑料材料称为功能性工程塑料。功能性工程塑料材料的种类很多,应用领域也很广泛。
大连工业大学纺织与材料工程学院及大连路阳科技开发有限公司采用注塑成型制备了聚醚醚酮(PEEK)/多壁碳纳米管(MWCNTs)复合材料,羟基和羧基的引入可显著提高复合材料的性能,改善介面结合情况,且随着MWCNTs含量的增加,复合材料的表面电阻率和磨损量明显降低,力学性能显著提高。
MWCNTs-COOH加入后,出现逾渗现象,逾渗值为3%,表面电阻率达1.89×10~6Ω;摩擦系数降低,承载能力提高1倍以上;MWCNTs-COOH质量分数为4%时,磨损量为0.6mg,比纯PEEK降低71.4%,综合性能最优。
赵佳明、边继明及孙景昌等人采用直流磁控溅射法在聚酰亚胺(PI)柔性衬底上生长氧化铟锡(ITO)薄膜,在优化的工艺条件下(溅射功率100W和沉积气压0.4Pa),制备了在可见光区平均透射率达86%、电阻率为3.1×10-4Ω.m的光电性能优良的ITO透明导电薄膜。
万长宇、曲敏杰、吴立豪、孙诗良及何玲玲等人制备了聚醚醚酮/炭黑(PEEK/CB)、聚醚醚酮/碳纤维(PEEK/CF)抗静电复合材料。在PEEK/CB复合体系中,炭黑渗滤区含量为3%~5%,较低的炭黑含量确保了复合材料优异的力学性能;在PEEK/CF复合体系中,碳纤维渗滤区含量为15%~20%;炭黑在PEEK基体中达到纳米级分散,形成空间导电网络结构,这种结构提高了复合材料的抗静电性能。
工程塑料产业是集聚合技术、合金改性技术、工程设计放大技术、加工应用技术等多种先进技术于一体的技术密集型产业。
为了在竞争激烈的工程塑料市场中赢得一席之地,国内大中型企业必须坚持高起点、高质量、高水准的发展,着眼于高端市场开发,走原料开发、树脂合成与改性一体化的发展路线。同时,提高自主创新能力,转变经济增长方式,发展循环经济,将成为未来工程塑料产业发展的主要战略目标和方向。
文章来源:CPRJ 中国塑料橡胶
刊登日期:2018.10.01 《CPRJ 中国塑料橡胶》- 2018年10月号
(0)



