
文/李福顺1,2
1.重庆科聚孚新材料有限责任公司;2.中煤科工集团重庆研究院有限公司
摘要:从一个配色工程师的角度,结合自己平时塑料配色中遇到的常见问题,列举出一些塑料配色过程中的注意事项,涉及到光源选择、客户要求、颜料筛选、与基料是否反应、颜料自身浓度变化等因素,并对塑料配色提出了展望。
关键词: 塑料; 配色; 注意事项
Precautions in the Process of Plastic Color Matching
Li Fushun1,2
( 1.Chongqing kejufu New Mater Co.,Ltd.,Chongqing 401332,China;
2.China Coal Science and Engineering Group Chongqing Research Institute Co.,Ltd.,Chongqing 400037,China)
Abstract: From the perspective of a colorist,combined with the common problems encountered in their usual plastic color matching, this paper lists some precautions in the process of plastic color matching, including light source selection,customer requirements,pigment screening, reaction with base materials,pigment concentration change and so on. The prospect of plastic color matching is put forward.
Key words: plastic; color matching; precautions
0 · 前言
当今社会,我们生活在五彩斑斓的世界,我们的衣、食、住、行,生活中的方方面面都充满了色彩。我们穿着的衣物,不同颜色的搭配可以体现出不同的风格和气质。不同食材在烹饪时,充分利用食材本身颜色搭配,一桌色香味俱全的佳肴呈现出来,一定能使人胃口大开。我们目前的人居环境,也越来越倾向自然色彩的美与宁静。当我们春夏秋冬四季,行驶在路上,都有丰富多彩的颜色映入眼帘。这一切无不说明,颜色是我们平时生活中随处都可以遇到和接触到的。塑料制品在我们的日常生活中使用也越来越多,目前国家提倡环保,提倡用可降解、可回收的塑料。只是塑料制品本身的颜色,并不能给人们带来多么直观的感受和使用体验。给塑料配色,就赋予了塑料新的生命,使它在不同的运用领域运用更广泛。
给塑料配色只要在这个行业做过一段时间的技术员和工程师都没问题,只是配色时间长短和准确性的差别,重要一点是同一个基材的颜色,选择那几个颜料组合为比较优的方案,这方面值得我们发掘和思考。对于外来的样件,一定要与客户明确对色光源,这在配色过程中非常重要,而且也极容易被忽视[1],这一般是同色异谱的原因所在。在配色之前,配色人员要对所需要的着色剂的色光、色调、迁移性、耐热性、耐候性、化学稳定性、颜料着色力等信息有了解熟悉[2],这是一个合格配色人员的基本要求。目前配色主要是人工目测配色为主,电脑配色为辅。因为配色是一个特殊的过程,同一个颜色,有无数种组合可以选择,主要是选择一个优选方案。配色过程中,树脂基色、分散剂、颜料是三个主要的因素[3],对于色板与标样间的光泽、皮纹、大小等因素,也会影响配色过程中对颜色的判断。
1 · 配色前期准备
1.1 确定光源和比对要求
我们都能理解色彩的三要素: ( 1) 光是指照射物体,其反射或透射光之光谱组成被改变,导致刺激视觉神经传至大脑,使得我们产生色彩的感觉; ( 2) 物体是指接受光之照射,将其中部分波长吸收,因而改变光谱组成,将反射、散射或透射是光传播出去; ( 3) 观察者( 人或仪器) ,这两者接收物体反射的光,分析光谱组成,从而转换成我们人脑中或计算机中显示的色彩。这个是能形成颜色的基本要素,也是配色的基本条件。在拿到一个标准样件后,在标准光源箱下,以不同的光源条件,先观察标样颜色是否有变化,如果有,配色时注意同色异谱的情况,提前与客户沟通协商好以哪种光源判断,避免后期因为客户观察光源改变导致配置颜色不合格; 如果无变化,按正常的选择合适颜料配色。拿到一个标准样件后,同时要观察其表面情况,比如光泽度、皮纹粗细、透明度、失色度、形状大小以及是否规则,这些都是影响配色过程中判断标样和所制色板间颜色是否匹配的因素。因为我们在比对颜色时,尽量保证标样和色板在同一水平面,双手分别手持标样和色板,与眼睛保持50cm距离,目光垂直于标样和色板表面,对颜色进行观察判断,并适时左右对换位置进行比对,消除视觉误差。
1.2 客户具体要求
一般的标样到配色人员的手中,有以下几种情况: (1)销售人员带回; (2)客户邮寄; (3)客户直接来现场。三种情况中第三种可以直接与客户交流,了解制品的用途,是否有特殊要求。室外的塑料制品必须考虑颜料的耐候性[4]; 注塑成型温度,考虑颜料的耐热性; 是否出口,考虑配色配方中重金属含量,偶氮类颜料是否能选用。如果是(1)和(2)的两种情况,及时与客户取得联系,充分了解所配样件的具体要求。
2 · 配色过程
我们配色是用两种或以上的颜料或染料组合来达到原始标准颜色相近视觉效果的颜色。塑料配色可以赋予塑料制品更多功能,比如提高塑料耐光性、耐候性、导电性、抗静电性; 不同色彩农地膜具有除草或避虫、育秧等作用。即通过配色,使塑料达到一些应用的要求。颜色复配合成主要是利用日光,这是为什么开始说到配色前先确定比对光源。塑料配色与油漆配色有本质区别,塑料配色使用“减色法”,油漆配色使用“加色法”,它们都是以红、黄、蓝三原色为基础,调配出令人满意、符合色卡色差要求、经济并在染色造粒加工、使用中不变色的色彩。
配色过程中要注意以下几点:
(1)根据客户沟通结果,先确认好比对光源。
(2)根据标样的颜色和要配置的基料,选好能用的颜料的种类。
(3)对于同一标样,不同基材,颜料要慎重选择。比如样件为PP材质,配置颜色要用到PP、PE、ABS、PA6、PC、PBT以及合金等基材,如果颜色条件允许情况下,尽量选择相同型号的无机颜料,来调整比例调试颜色,避免同色异谱现象发生。这个是理想情况,如果是调试鲜艳的彩色,这就会导致普通塑料和工程塑料所选择颜料类别不同,造成同色异谱的现象。以pantone色卡485C红色为例,PP和PE可以选择C.I.254红、BBC 红48: 2、金光红C之类调试,ABS、PC、PBT可以选染料中的C.I.135、C.I.111、C.I.179等颜料调试,PA6或PA66加玻纤,就只能选择无机颜料或更稳定的红色颜料比如BASF的C.I.178、C.I.195等调试,但是成本会高出很多,并且配出来的颜色目测色光始终有差异,即便色差仪测试的ΔE较小,目测差异仍然较大。
(4)同一基材,不同结构,会出现颜色配方有明显区别。比如PP中的均聚PP、共聚PP、无规共聚PP[5],虽然都是聚丙烯,因为其结构不同,即便调试同一个颜色,达到同样的色差要求时,所需要的颜料比例差别大。
(5)同一基材,不同批次,导致色粉配方明显不同。比如常见的ABS,这个是ABS厂家及行业花了多年都为解决的问题。ABS因为其结构的特殊性,在合成时没法保证其底色的一致性,导致我们配色时有的底色白,有的底色黄。
(6)对于易吸水,需要烘干后配色的材料,一定注意烘料时间及温度。比如: ABS、PA6、PA66、PC之类,特别是ABS和PA66烘料时间过长或温度过高,黄变很严重。
(7)原材料是否与颜料的化学结构发生化学反应。比如对无卤阻燃聚丙烯配色,就要考虑所选颜料中是否还有卤素离子,如果用,就尽量不选用,会影响材料本身的阻燃性能。
(8)原材料高温时分解产出的物质与颜料发生反应。比如给PVC原材料配色,就要选用耐酸性好的颜料,群青、氧化铁系颜料就不能用于其中,因为PVC高温时容易分解产生Hcl气体( 遇水成盐酸) ,会与群青、氧化铁系颜料发生化学反应。
(9)聚酰胺材料含有( -NH-CO-) 具有较强极性[6],高温时的氧化还原性特别强,就要选用化学稳定性好的颜料。
(10) 注意改性基材中助剂、填料或玻纤的添加。在改性塑料厂配色时,因为要使原材料达到一些特殊要求,比如耐候、耐热氧老化、抗静电、增强、填充等,因为助剂、填料或玻纤的加入,会使得基材底色发生改变,同时在造粒时螺筒的加工温度也会发生改变,在选择颜料上要留意。
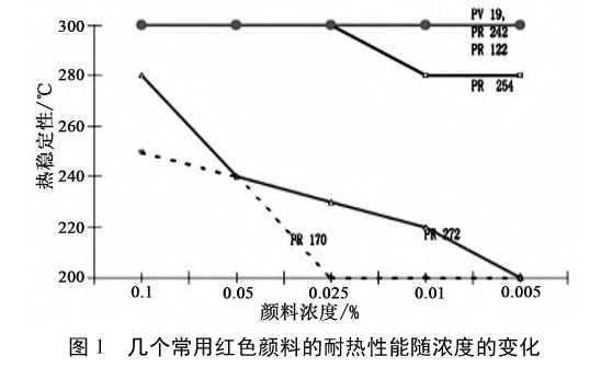
(11) 注意少数颜料稀释后耐温性能降低。如图1所示,这只是简单以红色颜料为例,其他的黄色、蓝色、绿色、紫色等也用类似情况,C.I.23紫色的情况就很明显,这需要我们在平时配色时,不断地积累和发现,为后续配色做更好的铺垫。(12)对于配色用到珠光颜料、铝银粉颜料、铜金粉颜料等效果颜料配色时,要考虑到后面客户使用场合,是直接混色粉生产,还是需要双螺杆挤出造粒再使用,这些工艺都会使效果颜料的颜色和表面质量发生不小变化。
同时,配色过程中还要特别注意颜料的补色和色光。为什么有的颜色配好后,即便用色差仪测试,色差结果可能很小,但是目测始终感觉不像。在调试鲜艳色颜色一定要把握好补色的情况。例如我们配一个PP带黄光的绿色,我们由C.I.7绿加C.I.81黄调试的效果就没有C.I.36绿和C.I.81黄的效果好,因为C.I.36 本身的黄光更强,在配色时加入的黄少,会尽可能小的影响其自身颜料的饱和度,因此目测很鲜艳。如果两种绿不变,把黄色换成带红光的C.I.110黄,配出的绿色就发暗。在强调选择染、颜料时要注意它本身的色光,多数商品染、颜料名称的尾部附有色光的代号,见表1可识别其色光的类别和强度[5]。
配色过程必须仔细,尽量考虑全面,同时一个颜色配好后,一定记得做一份小样色粉,重新打板确认配色配方的准确性。在配色过程中,每种选择的颜料要摆放有序,称量由少至多,避免过程中颜料的污染、混色以及称量时出错。
3 · 配色方法
就目前的情况来看,配色方法主要还是目测配色为主,仪器配色为辅。主要是配色行业的特殊性导致。一般做配色的公司起初规模不够,对应的仪器配色成本投入高,也需要庞大的数据作为支撑,一般规模的公司前期都不能满足此要求。再加上配色颜色首先是满足客户的目视要求,目测没问题,一般都能接受。能用到仪器辅助判定的,都是要求相应偏高,有特殊要求的才会用仪器判断色差结果,比如汽车行业、家电、通机、印染、纺丝等。对于中大型的配色公司,因为所配颜色体量大,可以考虑电脑配色,可以提高效率和快速优化配方。毕竟电脑配色,配的颜色越多,数据越丰富,对于后期配色的指导性作用越大。无论是目测配色,还是电脑配色都不是绝对的准确,配色过程本身就是一个模拟另一个颜色的过程,是无限的接近。当配方中出现需要用到荧光类颜料时,对目测配色和电脑配色都有不小的挑战,因为在不同的光源下会出现不同的色光,对判断增加了难度。原因是产品颜色除了与产品本色有关,还与光源以及观察者等有着密切的关系[7]。
4 · 结语
本文以一个配色工程师的视角,较为简单的分析指出了一些日常塑料配色需要的注意事项,当做抛砖引玉的作用,毕竟塑料配色涉及到不少材料种类、颜料类别、加工工艺等,一个人的能力有限,不能面面俱到,需要不断的积累、学习,以便能解决更多的问题。影响塑料配色结果的因素众多,这就需要配色人员、工程师在日常配色中不断地总结、钻研和学习新材料、颜料的知识,才能让配色行业发展更远,走的路更宽阔。
参考文献:
[1] 李兴达.浅析塑料色母粒色差原因和改进对策[J].化工管理, 2018( 34) : 196.
[2] 郭亚萌.关于塑料配色的探讨[J].科技传播, 2010( 10) : 61.
[3] 甘馨,宁涛,乔辉,等.配色过程中影响塑料制品颜色品质的主要因素[J].中国塑料, 2008( 6) : 49-53.
[4] 胡细全,邓祥义.塑料配色中应注意的几个问题[J].湖北化工, 2000( 5) : 36-37.
[5] 王执中,王仲文.塑料色母粒生产中色差控制的分析与研究[C]/ /中国染料工业协会.2007 年全国塑料着色与色母粒学术交流会论文集.武夷山: [出版者不详], 2007: 1-7.
[6] 肖利群.汽车用PA6 /ABS 带色合金材料的研究[J].塑料工业, 2017( 5) : 133-137.
[7] 李辉峰,吕新广.基于色差分析的不同光源下颜色稳定性研究[J].应用化学, 2020( 11) : 1247-1253.
文章发表于《山东化工》2022年第51卷第7期
(0)



